再装一台四管来复再生式收音机
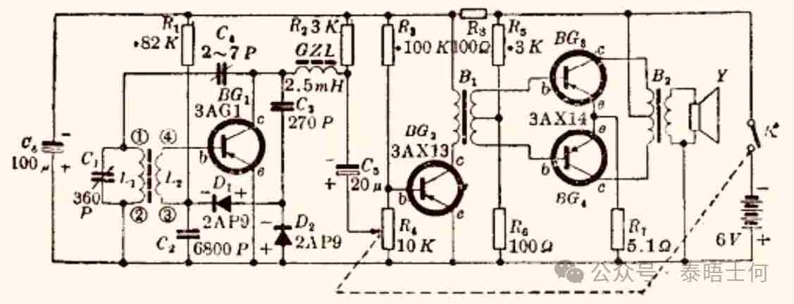
实验过矿石机,单管、二管机以后,我们来装一下这个四管机,与前面的机型比较,由于采用了乙类放大的推挽输出电路,因此具有输出功率大、效率高、音质好、耗电省等优点,发音宏亮而清晰。是来复再生式收音机的最高配置。(资料来自网络)
电路图和装配排列见附图,装过二管机的已经有经验,不再啰嗦,区别是调节R5时,在不影响輸出功率的情況下,无信号时的推挽输出两管的集电极电流值,調得越小越好(最好在2-5mA),要求达到在有信号輸入时电流达到最大,而沒有信号輸入时电流越小越好。因为这对电源的消耗关系很大。
文章目录

