AM/FM收音机的安装与调试
ξ1概述
一、实习目的:
1、 学习收音机的调试与装配。
2、 提高读整机电路图及电路板图的能力。
3、 掌握收音机生产工艺流程,提高焊接工艺水平。
二、实习内容:
1、 收音机电路原理分析。
2、 掌握印制电路板的组装及焊接工艺。
3、 进行AM、FM中频及统调覆盖的调试及整机测试。
4、 故障判断及排除。
三、实习基本要求:
1、 会检测元器件并判别其质量。
2、 独立完成各测试点的测量与整机安装。
3、 会排除在调试与装配过程中可能出现的问题与故障。
4、 所制作的产品电器性能指标应能满足三级机水平(国标),具体如下:
接收频率范围: AM 525~1605KHZ FM 72~108MHZ
接收灵敏度: AM 达国家C类标准 FM 优于μV级
输出功率: 大于100mW
供电电源: DC 3V
立体声耳机输出阻抗: 32Ω
ξ2收音机的基本工作原理
1、 收音机的电路结构种类有很多,早期的多为分立元件电路,目前基本上都采用了大规模集成电路为核心的电路。集成电路收音机的特点是结构比较简单,性能指标优越,体积小等优点。AM/FM型的收音机电路可用如图1所示的方框图来表示。收音机通过调谐回路选出所需的电台,送到变频器与本振电路送出的本振信号进行混频,产生中频输出(我国规定的AM中频为465KHZ,FM中频为10.7MHZ),中频信号将检波器检波后输出调制信号,调制信号经低放、功放放大电压和功率,推动喇叭发出声音。

图1 AM/FM型收音机电路方框图
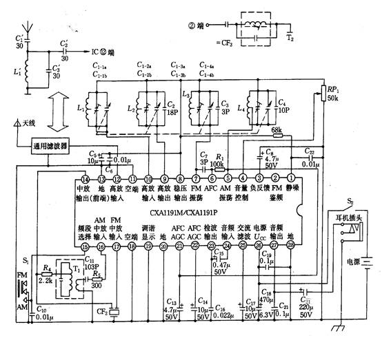
2、本实训中的收音机是一种50型的AM/FM二波段的收音机,收音机电路主要由索尼公司生产的专为调频、调幅收音机设计的大规模集成电路CXA1191M/CXC1191P组成。由于集成电路内部无法制作电感、大电容和大电阻,故外围元件多以电感、电容和电阻为主,组成各种控制、供电、滤波等电路。50型收音机电路图如图2所示。

图 2 50型收音机电路图
CXA1191M/CXC1191P的内部方框图如图3所示。

图3 CXA1191M/CXC1191P的内部方框图
下面介绍收音机电路图的功能块电路的作用。
(1)调谐(即选台)与变频
由于同一时间内广播电台很多,收音机天线接收到的不仅仅是一个电台的信号。各电台发射的载波频率均不相同,收音机的选频回路通过调谐,改变自身的振荡频率,当振荡频率与某电台的载波频率相同时,即可选中该电台的无线信号,从而完成选台。
选出的信号并不是立即送到检波级,而是要进行频率的变换。利用本机振荡产生的频率与外接收到的信号进行差频,输出固定的中频信号(AM的中频为465KHz,FM的中频为10.7MHz)。
图2所示收音机的电路中,这部分电路有四个LC调谐回路,带箭头用虚线连在一起的四联可变电容器Cl-1a、2a、3a、4a,其中1a、2a分别是调幅和调频波段的输入回路(选台回路),3a、4a属于其本机振荡回路。C1-1b、2b、3b、4b是与它们分别适配的微调电容,用作统调。与Cl-1a并联的电感L1为AM(调幅)波段的线圈(绕在中波无线磁棒上),C1-2a、L2组成调频末级高放的负载选台回路。与C1-3a、4a并联的L3、L4为振荡电感,与L4并联的电容C4为垫整电容,以改善低频端的跟踪。S1是波段开关,与集成电路内部的电子开关配合完成波段转换。以上元件与集成电路(IC)内部有关电路一起构成调谐和本机振荡电路,变频功能由IC内部完成。
(2)中频放大与检波
选台、变频后的中频调制信号送入中频放大电路进行中频放大,然后再进行检波,取出调制信号。
在图2电路中,中频放大电路的特征是具有“中周(中频变压器)”调谐电路和中频陶瓷滤波器。IC内部变频电路送出的中频信号从“14”脚接线端输出,10.7MHz的调频中频信号经三端陶瓷滤波器CF2选出送IC的“17”脚接线端,465kHz的调幅中频经T1中周选出送IC的“16”脚接线端。中频信号进入IC内部进行放大并检波。鉴频(调频检波)和调幅检波电路都在IC内部,检波电路的滤波电容因无法集成到IC内部而外接。C16是检波电路中滤除中频载波的滤波电容,IC的“23-24”脚接线端之间的C15是检波信号经滤波耦合到音频输入端的耦合电容, “2”脚接线端外接的T2是FM鉴频中周。
(3)低频放大与功率放大
解调后得到的音频信号经低频放大和功率放大电路放大后送到扬声器或加到耳机,完成电声转换。这部分电路大多数是通过音量电位器的中心抽头为信号输入。图2电路中IC的“3”、“4”、“24~28”脚接线端内部都是低频放大电路。“1”脚接线端为静噪滤波,接有电容C22,“3”脚接线端所接C8为功率放大电路的负反馈电容,“4”脚接线端为音量控制端,外接音量控制电位器。IC的“25”脚接线端接的C17是功率放大电路的自举电容,以提高OTL功放电路的输出动态范围。音频信号经“24”脚接线端输入到IC中进行电压和功率放大,放大后的音频信号从“27”脚接线端输出,经C21耦合送到扬声器或耳机发声。
(4)电源及其他电路
本机的电源部分包括有电池、去耦滤波电容C18、C19及由音量电位器连动的电源开关S2。 “21”脚接线端的C13、“22”脚接线端的C14是自动增益控制(AGC)电路滤波电容。此外,为了防止各部分电路的相互干扰,IC内部各部分的电路都单独接地,并通过多个接线端与外电路的地相接。
CXAll91M/CXAll91P内部还设有调谐高放电路,目的是提高灵敏度。拉杆天线收到的调频电磁波经由C1、C2、C3、L1组成的选通滤波器进入高放,再进行混频。调幅部分则由天线磁棒接收电磁波,经L1的次级线圈进入变频电路。
ξ3收音机电路板的装配
1、收音机元件清单:
|
序号 |
材料名称 |
型号/规格 |
用量 |
用途 |
备注 |
|
1 |
电阻 |
330Ω |
1 |
|
1/4W |
|
2 |
|
2.2KΩ |
1 |
|
1/4W |
|
3 |
|
68 KΩ |
1 |
|
1/4W |
|
4 |
|
100 KΩ |
1 |
|
1/4W |
|
5 |
瓷片电容 |
3pF |
1 |
|
|
|
6 |
|
18pF |
1 |
|
|
|
7 |
|
20pF |
1 |
|
|
|
8 |
|
27pF |
1 |
|
|
|
9 |
|
30pF |
1 |
|
|
|
10 |
|
120pF |
1 |
|
|
|
11 |
|
103pF |
3 |
|
|
|
12 |
|
203pF |
2 |
|
|
|
13 |
|
104pF |
2 |
|
|
|
14 |
|
153pF |
1 |
|
|
|
15 |
电解电容 |
4.7uF/10V |
2 |
|
|
|
16 |
|
10uF/10V |
3 |
|
|
|
17 |
|
100uF/10V |
1 |
|
|
|
18 |
|
220uF/10V |
1 |
|
|
|
19 |
电感 |
0.7хφ4.5х3.5T |
1 |
|
|
|
20 |
|
0.7хφ4.5х2.5T |
1 |
|
|
|
21 |
|
0.6хφ4.5х4.5T |
1 |
|
|
|
22 |
磁棒 |
4х10х40 |
1 |
|
|
|
23 |
磁棒天线 |
100∶32 |
1 |
|
|
|
24 |
中周 |
AM振荡7.5х7.5х12 |
1 |
|
红色 |
|
25 |
|
AM中频10х10х12 |
1 |
|
黄色 |
|
26 |
|
FM中频7.5х7.5х12 |
1 |
|
粉红色 |
|
27 |
滤波器 |
10.7M |
1 |
|
|
|
28 |
电位器 |
φ12.5-50 KΩ |
1 |
|
|
|
29 |
开关 |
2P2T |
1 |
|
|
|
30 |
四联电容 |
270pF |
1 |
|
|
|
31 |
连线 |
10cm |
1 |
天线 |
蓝 |
|
32 |
|
6cm |
2 |
喇叭 |
红、黑 |
|
33 |
|
4cm |
1 |
正电源 |
红 |
|
34 |
|
11cm |
1 |
负电源 |
黑 |
|
35 |
|
8cm |
1 |
波段转换 |
蓝 |
|
36 |
塑料件 |
指针 |
1 |
|
|
|
37 |
|
刻度镜 |
1 |
|
|
|
38 |
|
调谐钮 |
1 |
|
|
|
39 |
|
音量钮 |
1 |
|
|
|
40 |
|
前盖 |
1 |
|
|
|
41 |
|
后盖 |
1 |
|
|
|
42 |
|
磁棒支架 |
1 |
|
|
|
43 |
五金件 |
铆钉 |
4 |
|
|
|
44 |
|
电池正极片 |
1 |
|
|
|
45 |
|
电池负极片 |
1 |
|
|
|
46 |
|
电池正负极片 |
1 |
|
|
|
47 |
|
天线弯头 |
1 |
|
|
|
48 |
螺钉 |
粗牙 |
1 |
|
|
2、收音机的装配
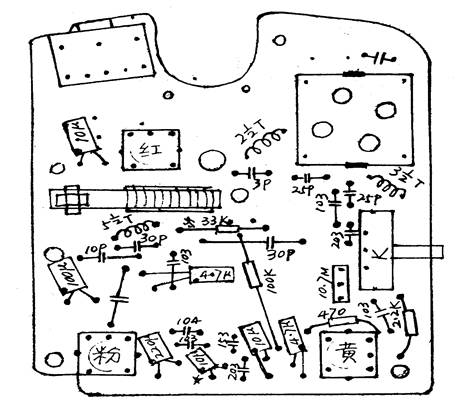
电路板元件的插件图如图4:
印刷电路板的装配是整机质量的关键,装配质量的好坏对收音机的性能有很大的影响。因此印制电路板装配总的要求是:元器件装插正确,不能有插错,漏插;焊点要光滑、无虚焊、假焊和连焊。在装插元器件时,要执行工艺指导卡以及装配样板的规定,遵循元器件的装插原则。
(1)、元器件的装插焊接应遵循先小后大,先轻后重,先低后高,先里后外的原则,这样有利于装配顺利进行。
(2)、在瓷介电容、电解电容及三极管等元件立式安装时,引线不能太长,否则降低元器件的稳定性;但也不能过短,以免焊接时因过热损坏元器件。一般要求距离电路板面2mm,并且要注意电解电容的正负极性,不能插错。
(3)、可调电容器(四联)装插,四脚应插到位,焊接时,先用少量焊锡固定任意1脚,(此时用一手指按住可调电容器,使其紧贴线路板)然后同时焊接其余三个脚,最后再重新补焊四个脚一次。
(4)、音量电位器的安装,首先用铜铆钉固定两边开关脚,然后再进行焊接。使电位器与线路板平行,在焊电阻器的三个焊接片时,应在短时间内完成,否则易焊坏电阻器动片、从而造成音量电位器不起作用或接触不良。
(5)、集成电路的焊接:CXA1191为双列28脚扁平式封装,在焊接时,首先要弄清引线脚的排列顺序,并与线路板上的焊盘引脚对准,核对无误后,先焊接1、19脚用于固定IC,然后再重复检查,确认后再焊接其余脚位。由于IC引线脚较密,焊接完后要检查有无虚焊,连焊等现象,确保焊接质量。

图 4 电路板元件的插件图
印刷电路板底版如图5 :

图5 印刷电路板底版图
ξ4收音机电路板的调整
1、收音机电路板的调整的原理
收音机的调整是收音机实训的其中一个重要内容,有些同学一焊接完,就以为大功告成,特别是有些同学还能收到一两个电台,就忽视了后面的实训,这是非常错误的指导思想。我们一定要重视收音机的调试部分的实训。
在调试前必须确保收音机能接收到沙沙的电流声(或电台),若听不到电流声或电台,应先检查电路的焊接有无错误、元件有无损坏,直到能听到声音才可做以下的调整实验。
超外差收音机的调整有三种:
1、 调中频——即是调中频调谐回路
中放电路是决定收音电路的灵敏度和选择性的关键所在,它的性能优劣决定了整机性能的好坏。调整中频变压器,使之谐振在AM/465kHz(或FM/10.7MHz)频率,这是中放电路调整的任务。
2、 调覆盖——即是调本振谐振回路
超外差收音机电路接收信号的频率范围与机壳刻度上的频率标志应一致,所以,要进行校准调整,也叫调覆盖。
在超外差收音机中,决定接收频率的是本机振荡频率与中频频率的差值,而不是输入回路的频率,因此,调覆盖实质是调本振频率和中频频率之差。因此调覆盖即调整本振回路,使它比收音机频率刻度盘的指示频率高AM/465kHz(或FM/10.7MHz)。在本振电路中,改变振荡线圈的电感值(即调节磁芯)可以较为明显地改变低频端的振荡频率(但对高频端也有影响)。改变振荡微调电容的电容量,可以明显地改变高频端的振荡频率。
3、 统调——即是调输入回路
统调又称为调整灵敏度,本振频率与中频频率确定了接收的外来信号频率,输入回路与外来信号的频率的谐振与否,决定超外差收音机的灵敏度和选择性(即选台功能),因此,调整输入回路使它与外来信号频率谐振,可以使收音机灵敏度高,选择性较好。调整输入回路的选择性也称为调补偿或调跟踪,但是在外差式收音电路中,调整输入谐振回路的选择性会影响灵敏度,因此,调整谐振回路的谐振频率主要是调整灵敏度,使整机各波段的调谐点一致。
调整时,低端调输入回路线圈在磁棒上的位置,高端调天线的微调电容。
2、收音机电路板的调整的实验
(1)、调幅部分的调整
①、中频放大电路的调整——调AM中周
用调幅高频信号发生器进行调整方法如下:

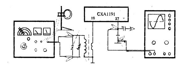
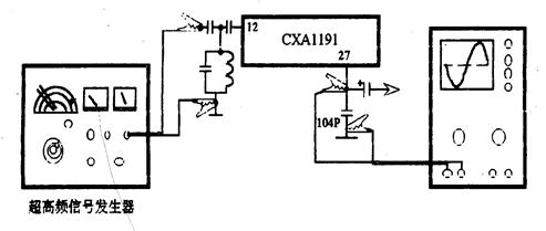
图2.7-6 中频变压器调整仪器连接示意图
调整时,整机置中波AM收音位置,调整前按图2.7-6配置仪表和接线或直接听收音机的喇叭输出声音。
将音量电位器置于最大位置,将收音机调谐到无电台广播又无其它干扰的地方(或者将可调电容调到最大,即接收低频端),必要时可将振荡线圈初级或次级短路,使之停振。
使高频信号发生器的输出载波频率为465kHz,载波的输出电平为99dB,调制信号的频率为1000Hz,调制度为30%的调幅信号接入IC的“l4”脚或通过圆环天线发射,由磁性天线接收作为调整的输入信号。
用无感螺丝刀微微旋转中频变压器(黄色中周)的磁帽向上或向下调整,使示波器显示的波形幅度最大,若波形出现平顶,应减小信号发生器的输出,同时再细调一次。在调整中频变压器时也可以用喇叭监听,当喇叭里能听到1000Hz的音频信号,且声音最大,音色纯正,此时可认为中频变压器调整到最佳状态。
提示 若中频放大器的谐振频率偏离465kHz较大时,示波器可能没有输出或幅度极小,这时可左右偏调输入调幅信号的频率,使示波器有输出,待找到谐振点后,再把调幅高频信号发生器的频率逐步向465kHz靠拢,同时调整中频变压器,直到把频率调整在465kHz。
在调整过程中,必须注意当整机输出信号逐步增大后,应尽可能减小输入信号电平。这是因为收音部分的自动增益控制是通过改变直流工作点来控制晶体管增益的,而直流工作点的变化又会引起晶体管极间电容的变化,从而引起回路谐振频率的偏离,因此必须把输入信号电平尽可能降低。
②、调整接收范围(频率覆盖)——调AM的电感和电容
按国标规定中波段的接收频率范围规定为525~1605kHz,实际调整时留有一定的余量,一般为515~1625kHz。我们将对515kHz的调整叫低端频率调整,对1625kHz的调整叫高端频率调整。用高频信号发生器调整频率接收范围的方法是:
调整时,整机置中波AM收音位置,调整前按图2.7-6配置仪表和接线或直接听收音机的喇叭输出声音。
将音量电位器置于最大位置。
低端频率调整:
将可变电容器(调谐双联)旋到容量最大处,即机壳指针对准频率刻度的最低频端,将收音机调谐到无电台广播又无其它干扰的地方。
使高频信号发生器的输出频率为515kHz,载波的输出电平为99dB,调制信号的频率为1000Hz,调制度为30%的高频调幅信号接入收音机的AM磁性天线输入端(即IC的“l0”脚),作为调整的输入信号。
用无感螺丝刀调整中波振荡线圈的磁芯(红色中周),如图2.7-7所示,以改变线圈的电感量,使示波器出现1000Hz波形,并使波形最大。或直接鉴听收音机的声音,使收音机发出的声音最响最清晰。
高端频率调整:
将整机的可变电容器置容量最小处,这时机壳指针应对准频率刻度的最高频端。
使高频信号发生器的输出频率为1625kHz,载波的输出电平为99dB,调制信号的频率为1000Hz,调制度为30%的高频调幅信号接入收音机的AM磁性天线输入端(即IC的“l0”脚),作为调整的输入信号。
调节并联在振荡线圈上的Cl-4b补偿电容器,如图7所示,使示波器的波形最大(或喇叭声音最响)。
这样接收电路的频率覆盖就达到515~1625kHz的要求了,但因为高低频端的谐振频率的调整相互牵制,所以必须反复调节多次,直到整机的接收频率范围符合要求为止。

图 7 调整频率接收范围
③、统调
中波段的统调点为630kHZ,1000kHz,1400kHz。
调整时,整机置中波AM收音位置,调整前按图2.7-6配置仪表和接线或直接听收音机的喇叭输出声音。将音量电位器置于最大位置。
先统调低频率630kHz端。
由调幅高频信号发生器通过圆环天线送出频率为630kHz ,电平为99dB,调制信号的频率为1000Hz,调制度为30%的高频调幅信号作为调整的输入信号(或接入收音机的AM磁性天线输入端,即IC的“l0”脚)。将接收机调谐到该630kHz频率上,然后调整磁性天线线圈在磁棒上的位置,如图2.7-8所示,使整机输出波型幅度最大(或听到的收音机的声音最响最清晰)。
接着统调高频端频率点,由调幅高频信号发生1400kHz的信号,将整机调谐到该频率上,然后用无感螺刀调节磁性天线回路的Cl—1b补偿电容,如图 8所示,使整机输出波形最大(或听到的收音机的声音最响最清晰)。

图 8 中波统调
提示 统调结果正确与否,我们可以用铜、铁棒来鉴别。当统调正确时,用铜铁棒的两头分别靠近磁性天线线圈后,整机输出都会下降(即收音机的声音变小)这种现象称为“铜降”和“铁降”,否则称为“铜升”和“铁升”。若“铁升”,则说明电感量不足,应增加电感量,将线圈往磁棒中心移动,若“铜升”,则反之。在高频端,若“铁升”应增加电容量:若“铜升”,则应减小电容量。按上述方法反复进行调整,直至高频端和低频端都完全统调好为止,在一般情况下,低频端和高频端统调好后,中频端1000kHz的失谐不会太大,至此,三点频率跟踪已完成。
要注意的是,在统调时输入的调幅信号不宜太大,否则不易调到峰点。另外磁棒线圈统调正确后应用蜡加以固封,以免松动,影响统调效果。
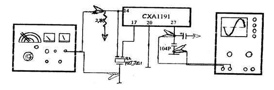
2、调频部分的调整
①、中频放大电路的调整
与调幅收音电路相类似,调频收音电路的中频放大级也要进行调整。
用调频高频信号发生器调整的方法如下:
调整时,整机置FM收音位置,调整前按图9配置仪表和接线或直接听收音机的喇叭输出声音。
将音量电位器置于最大位置,将收音机调谐到无电台广播又无其它干扰的地方。
高频信号发生器输出频率为10.7MHz,电平为99dB,调制频率为1000Hz,频偏为±22.5kHz的调频信号。对于分立元件组成的调谐器,10.7MHz信号经中频输入电路引出,用夹子夹在混频管的塑料壳上,由电路中的分布电容耦合到电路中去,对于集成电路组成的调谐器,10.7MHZ的中频调频信号可直接加到调频天线连接的信号输入端。
然后由小至大调节信号发生器的输出信号的幅值,直至示波器里能在收音机的输出端看到lkHz的音频信号,此时用无感螺刀反复调整中周(粉红色),使输出为最大,而且波形不失真,同时,注意当整机输出信号增大时,适当减小输入信号电平,再进行调整,最后将信号发生器的调制方式.由调频转向调幅,调制频率仍为1kHz,调制度为30%,调节粉红色中周,使输出最小,这样反复进行调整,使整机在接收10.7MHz中频调频信号时的输出最大,而在接收10.7MHz调幅信号时输出最小,即两点重合。在调整中频变压器时也可以用喇叭监听,当喇叭里能听到1000Hz的音频信号,且声音最大,音色纯正,此时可认为中频变压器调整到最佳状态。

图 9 用调频高频信号发生器调整中频放大级
②、调整调频段的接收范围(频率覆盖)——调FM的电感和电容
调频广播的接收范围规定为87~108MHZ,实际调整时一般为86.2—108.5MHz。这里介绍用信号发生器进行调整的方法:
调整时,整机置中波FM收音位置,将音量电位器置于最大位置,调整前按图9配置仪表和接线或直接听收音机的喇叭输出声音。
低端频率调整:
将可变电容器(调谐双联)旋到容量最大处,即机壳指针对准频率刻度的最低频端,将收音机调谐到无电台广播又无其它干扰的地方。
使调频高频信号发生器送出调制频率为1000Hz,频偏为22.5kHz,电平为30db(20uv)左右,频率为86.2MHz的调频信号。该信号经调频单信号标准模拟天线加到整机拉杆天线的输入端。
在频率低频端调节L3振荡线圈,以改变线圈的电感量,使示波器出现1000Hz波形,并使波形最大。或直接鉴听收音机的声音,使收音机发出的声音最响最清晰。
高端频率调整:
将可变电容器(调谐双联)旋到容量最小处,即机壳指针对准频率刻度的最高频端,将收音机调谐到无电台广播又无其它干扰的地方。
使调频高频信号发生器送出调制频率为1000Hz,频偏为22.5kHz,电平为30db(20uv)左右,频率为108.5MHz的调频信号。该信号经调频单信号标准模拟天线加到整机拉杆天线的输入端。
在频率高端,调节C1-3b振荡回路的补偿电容。使示波器出现1000Hz波形,并使波形最大。或直接鉴听收音机的声音,使收音机发出的声音最响最清晰。
由于高低频端的谐振频率的调整相互牵制较大,所以必须反复调节多次,直到整机的接收频率范围符合要求为止。
提示调频振荡线圈一般为空心线圈,欲减小线圈的电感量,可将线圈拨得疏松些,欲增加线圈的电感量,可将线圈拨得紧密些。
这样接收电路的频率覆盖就达到87~108MHZ的要求了,但因为高低频端的谐振频率的调整相互牵制,所以必须反复调节多次,直到整机的接收频率范围符合要求为止。
图 10 用调频高频信号发生器调整调频段的接收频率范围
③、统调灵敏度——调节的天线线圈L2电感量和回路补偿电容Cl-2b的容量
调频波段的统调频率为89M、98M、106MHz,但一般统调低频端和高频端两点就可以了。
调整时,整机置中波FM收音位置,调整前按图 10配置仪表和接线或直接听收音机的喇叭输出声音。
将音量电位器置于最大位置。
先统调低频率89MHz 端。
使调频高频信号发生器送出调制频率为1000Hz,频偏为22.5kHz,电平为26db(20uv)左右,频率为89MHz 的调频信号。该信号经调频单信号标准模拟天线加到整机拉杆天线的输入端。
调节的天线线圈L2电感量,使示波器显示输出最大。或直接鉴听收音机的声音,使收音机发出的声音最响最清晰。
接着统调高频端频率点,使调频高频信号发生器送出调制频率为1000Hz,频偏为22.5kHz,电平为26db(20uv)左右,频率为106MHz的调频信号。该信号经调频单信号标准模拟天线加到整机拉杆天线的输入端。
调节回路补偿电容Cl-2b的容量,使整机输出波形最大(或听到的收音机的声音最响最清晰)。
为了达到较好的效果,要反复地调节。
思考题
1、调整中波灵敏度时,信号源的环形天线与收音机的磁棒线圈应成什么角度?灵敏度统调点一般选在哪几点?如何统调灵敏度?
2、在调整收音机灵敏度时,信号源的输出幅度为什么不能太大?
3、 如中波收音机低端收台时声小,但用磁棒靠近该台声音变大,试问低端统调好了吗?此时天线电感是过大还是过小,应怎样调整为正确?
4、 收音机为什么要统调?
5、 调整AM、FM波段的频率覆盖范围,应采取几个步骤?
评论 (0)