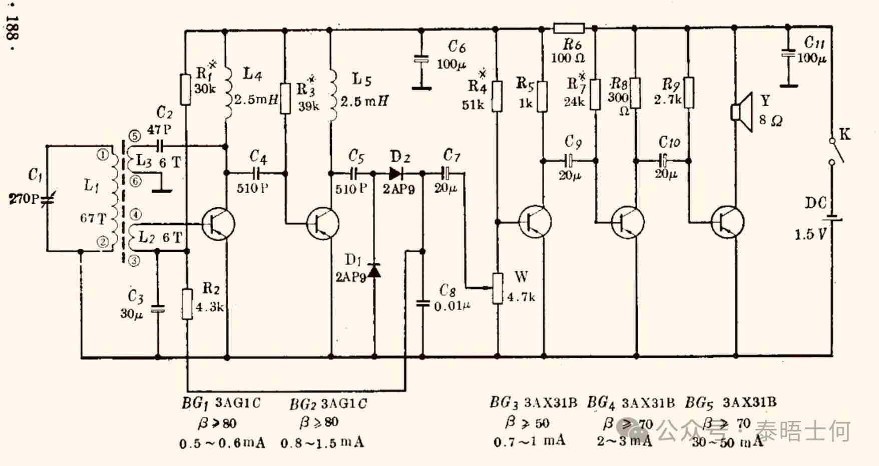
1.5伏电源再生式收音机 广播发烧网 发布于 2026-1-31 14:20 电路及维修 电路见上图,它由BG1、BG2,组成再生式两级高频放大器,BG3、BG4,组成两级音频放大器。L3是再生线圈。灵敏度较一般再生机高。级间采用R、C耦合方式,省掉了输入、输出变压器。由于取消了来复电路,因此线路比较简单,易于制作。磁棒采用直径10×120mm,L1: 67匝,L2: 6匝,L3: 6匝,用多股丝包线绕制。(资料来自网络) #收音机 文章目录 × 推荐阅读AM/FM收音机的安装与调试德生PL757、R-9701、R-818、R-202T系列收音机原理、维修与实测数据浅析德生BCL3000的电路熊猫802-1收音机电路分析与维修德生PL-380小打磨收音机工作原理矿石收音机制作教程(一)新人试做TEF6686 DSP 收音机给PL380无损加装外接中波天线功能德生R-9701收音机电路原理解析 上一篇 用收音机听评书,收台风的日子! 下一篇 松下RF-2200型收音机,坊间俗称三剑客之三