广播发烧网

关于德生PL550收音机的摩机探讨

author
·
2836
0

 德生PL550数字调谐收音机是新一代高级收音机产品,它有着极其优秀的接收能力,强大的控制功能和方便快捷的操作性能。该机设计的短波灵敏度调节,中频宽窄带控制,和中频偏移控制可以使短波的接收效果明显提升。作为新一代的数调机,PL550已经在性能和操作方面赶上和超过了SONY SW-7600GR等一代进口名机,具备更高的性价比。

通过多日的使用和研究该机的电路设计,我仍可找出它存在的一些问题,在此文中提出仅供德生工程师参考和收音机爱好者仿摩。

(1)    该机的电源开关采用了两只PNP三极管8550,其一插在4V稳压器与前级电源之间,其二在电池与功放电源之间。4V稳压器常开,同时为数字控制电路和时钟供电,见图<1>。



     开机时电池的4.8V电压会通过Q31 e、b极,R94,Q32 c、e极入地,电流约为(4.8-0.6-0.1)/(560×10-3)≈7.3mA。同理,流经Q26 e、b极,R95,Q32 c,e极的电流为(4-0.6-0.1)/(560×10-3)≈5.9mA,两路电流共有7.3+5.9=13.2mA。一方面这个电流白白地被消耗掉了,使收音机的静态电流增加13.2mA,影响了电池的使用时间;另一方面即使三极管有较大的基极电流,其射、集极压降也不能为零,管内的动态电阻使负载端的电压稳定性变坏,对前级电路和功放电路有弊无利。

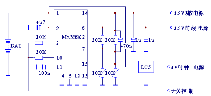
     为此我采用了一块微型的双路高效率,低功耗,带启动控制端的新型稳压器MAX8862来替换原机的电源开关,使上述问题得以完美解决,见图<2>电路。


改进后整机静耗由原来的MW39mA,SW36mA,FM48mA下降到MW27mA,SW24mA,FM36mA。原机的4V稳压器仍然保留,仅为数字电路供电。
   这是一块微功耗芯片,其内部有两路线性稳压器,主电路额定输出电流为250mA,付电路为100mA,主电路在200mA输出时压降只有160mV,整个电路静态工作电流为200uA,关闭状态下小于1uA,所以可直接作为开关元件使用。读者亦可用TC1055-3.6V,TPS7336,MAX8860等来作前级稳压器,用MAX1792,LT1529等来作功放稳压。注意所有的器件都必须采用贴片型,在机内适当的位置紧密安装,要求工艺较高。

(2)    该机具备5级电池电量指示和低压自动关机功能。实测当电池组的端电压从4.40V到5.20V变化时,刚好对应5级电量显示的变化,而自动关机电压是4.35V。我分析此设计是为了保证4V稳压器的工作正常,但对电池来说却很不合理。其一,该机的数字电路和模拟电路的降压特性都很好,甚至在3V时还能正常工作;其二氢镍电池的标准容量终止放电电压是1V,所以应该设计4V的自动关机电压(4节电池)而不是4.35V!否则的话电池的容量会减小,我实测SONY SW-7600G收音机是在3.4V时自动关机,能够最大限度地挖掘电池的容量。与此呼应,电路中的稳压器的输出电压也应该设定在3.8V,以便在自动关机前稳压器还有0.2V的压降,保证其工作稳定。为此我试图调整该机,从电路板的排线插座上找到CHKIN端,它从印板背面看是右排第4个脚,它连接了一个220K电阻,焊下这个电阻,以470K电位器代之,反复调整可变输出的直流电源(你必须具备)的输出电压和470K电位器,找到自动关机电压为4V时的位置,焊下电位器以同样阻值的电阻代换,调整工作就结束了。按照道理,原机的4V稳压器也应该换成MAX8860,将其输出调成3.8V,但些微的压降也不会对时钟产生影响,所以亦可保留原器件。

(3)    PL550设计了音调开关,它控制一个RC串联网络在功放输入端的连通或切断。我认为音调开关的功能是切除高音,减少噪音,而不是提升低音,所以,应该把R短路掉,它们是R86和R87,位于音调开关附近。

(4)    该机的时钟走时有误差,我的机器每天慢30s,数字频率显示数也不够精确,在短波常有1-2KHZ的误差,这是由于晶体的频率不准而造成的,请德生工程师注意。在业余条件下要想测试频率的精度或寻找精密的晶体器件来代换则非常困难。

(5)    该机的电量显示仅在关机状态才起作用,而实际上我们主要关心的却是开机电量(端电压),电池在空载时的端电压往往不能表达电池的真实电量或老化程度,因此应该设计一个键作为开机状态下的“场强/电量”显示转换。
(6)    该机的中频宽带滤波器的通频带还是不够宽,提升高音的效果不够明显,应该选用8-10KHZ带宽的器件。

(7)    该机的飞梭功能对短波调谐来说极其方便,你再也不需要一下一下地按键步进了。但由于在功放电路中加入了静噪控制,所以飞梭的每一个步进都会产生一个短暂的静噪效应,一连串的调谐步进伴随着喘息的声音,非常让人烦心,而且在自动搜索电台时,由于静噪的作用,很容易让弱台滑过去,不能察觉。我在印板插座上找到了MUTE脚,把它连接的R106焊掉,问题就解决了,调谐一下子变得连续了,除了少数频段会有一点儿步进“嘀”音干扰,其他大部分频段没有干扰,几乎和模拟调谐的感觉一样了。此外我认为飞梭的步进定位手感还应当加强些,明显些,这对步进值较大的FAST调谐和飞梭搜索预置电台特别有利。

(8)    关于天线不能立直的问题已经有许多用户提出了。我把机壳的天线位置处棱角锉去了一个大斜角,天线就能立直了,但机壳很容易漏洞,不得不用不干胶贴上。

(9)    该机的音质已经相当不错了,虽然功放电路的输出电容是两支220u10V的电解串联,但扬声器的阻抗高达25Ω,所以低音还是不错。我用两支470u10V的ELNA电解替换下C106,C107,使低音更优异。这两个电容位于扬声器下方,你很容易发现它们,但空间太小,高度不够,要把电容平躺安装。
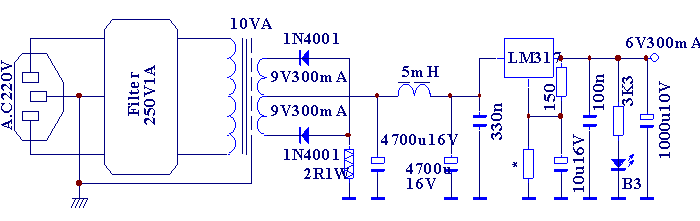
(10)    最后一个问题,原机所配的6V稳压电源/充电器缺少电网滤波器,会对短波造成一定的干扰,所以我自制了一个替换它,采用了金属外壳,带电网滤波器,屏蔽电缆线输出,效果很好,与电池没有分别,见图<3>。

文章目录

    评论 (0)