终于见到了根德S700的原厂不合格品
一台根德S700,调频用喇叭外放接收正常。故障本来是AM声音时有时无的故障,最开始确实中短波无声,只有背景噪声,结果第二天之后到现在AM一直正常了。
于是还是怀着好奇心打开,准备人为制造故障现象。
把机器开膛破肚后所有电路板放工作台上,喇叭取下放一边保存。用耳机监听接收,发现耳塞左声道不响。在排除了耳机本身问题后,直接将面板上耳机座的右声道焊接点直接连到左声道焊点,左声道有声,直接排除耳机座插孔或者耳机底座焊接不良的问题。
于是将右声道功放芯片IC602的第三脚输入信号引入到左声道功放IC702的第三脚输入端,左声道有声,说明左声道功放IC正常。

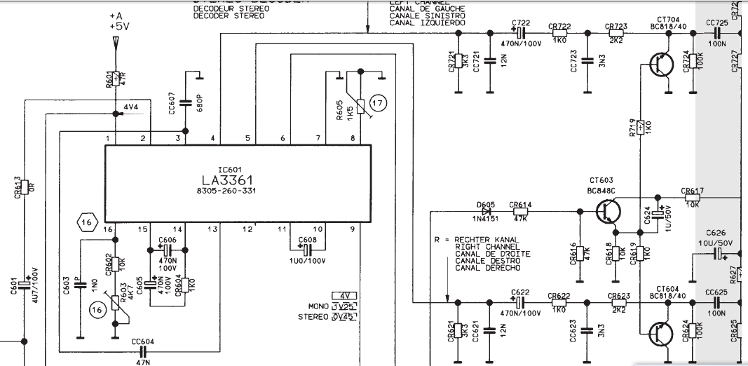
于是如法炮制,找到音频信号输出的最前端,将立体声解码芯片IC601的左右声道输出脚,4、5 脚,将这两脚直连,左声道无声。

于是判断故障在立体声解码输出和功放输入之间的电路上。
这是总体图:

同时还发现,机器的音频输出孔的左声道也无声,这样很快缩小了范围到立体声解码输出的第一级低放电路。

由于电路是左右声道是成对的,通过电压参数对比,很快查到左声道低放三极管CT705的三个脚电压都比正常的CT603各脚电压低很多。特别是CT705的集电极电压只有1.3V,而正常的CT603的集电极电压为3.5V, 明显偏低。
在排除了该三极管三个引脚周围的阻容元件之后,没发现问题,于是决定取下该三极管,查看是否有短路问题。
两把烙铁同时一搭上焊锡,也就1秒钟吧, 这个贴片三极管就这样了

真晕,这么不经烫?以前修索尼SW55的时候,拆过好几个贴片三极管检查,从来没有出现过这种问题的。没想到这台机器的会这样,难道是三极管的塑料封装严重老化? 真害怕,以后碰到怀疑这台机器三极管有问题的时候,就只能绕道了。
拆下之后,测量CT705电路板上集电极位置,电压升到了4.7V的电源电压,心理窃喜,就是它了。
于是找到几个和原型号参数差不多的国产贴片三极管,由于要测试音质效果,没有直接将测试的三极管焊接到电路板上,而是将三极管直接搭在三个焊点上,比较音质。
始终觉得左声道音质不怎么好,无奈之余,决定把替换的三极管焊接上去再说,哪知只要一焊接上三极管,左声道就出现无声、声音很小、刺耳的豁豁声,偶尔又正常。这时候发现无声或声音很小的时候,集电极电压又跌到了1.3V左右,正常一点时电压又升到了2.8-3.0V。
百思不得其解,以为换的元件有问题,重新找来其他的元件,一模一样的故障现象。这个故障和原来又有点不一样,原来的时候是左声道完全无声的。
后来甚至想到了是不是焊盘位置是否对地漏电,在多次清洗之后,还是同样的问题。
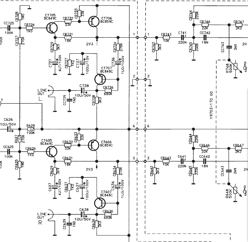
无奈之下,只能继续扩大查找范围,首先想到了后面的三极管CT706,不看不知道,一看吓一跳!
这个CT706的基极引脚居然没有焊接!是直接搭在印制板的铜箔上的。
正面:

侧面:

也就是说,这个焊点在出厂时就是这样,耳机的左声道没有输出,同时意味着,如果用喇叭外放听调频立体声节目的时候,用户只听到了右声道的信号!!!这机器这么多年了啊,用户一直这样听的。 根德居然生产了这样的质量不合格品!让我非常惊讶,这是我想发此帖的原因。
由于吸取了先前取下CT705时的悲剧,这次我学乖了,更加迅速的把那个让人害怕的焊点补上。害怕是因为担心又把这个三极管烫坏,由于这个三极管只焊接一个焊点,心想应该没问题,不行也得拼了,大不了再找类似国产配件。结果还是成功了。万幸!
最后,再次把CT705管子焊接上,集电极电压恢复到了正常的3.5V,左声道的声音和右声道的一样的圆润、悦耳了。
这是正常工作的场景:

看来这个原厂故障也让我得到了一些启发,AM抽筋的故障是不是也有这种原厂故障的可能?我找找去。
最后也向折腾此机的机友两个建议:
1。怀疑三极管有问题之前,你要确认你有备件,不然很可能会悲剧。这台机器的三极管的塑封老化严重。
2。如果机器出故障了,事先找电路板上的原厂BUG,虽然机率很小,但是至少有可能。
评论 (0)