广播发烧网

139A军机中波(MW)改造杂记

author
·
2252
0

本人一直这对国产老机兴趣浓烈,对欧洲机器(特别根德,兰宝)有价合适的也收收,特讨厌鬼子垃圾。在去年一不小心掉入本潭,一直就泡着没机会上岸。看到再高放三连的各类军机垃圾象遛狗般在漂里进进出出。主要出于好奇,在年初顺手抓来一只看看是啥玩意。到手基本是全新机器,上家说是他亲手开苞并只通了一回电,因手头机器多啥的出我,我到手一加电,杂音一片,经查有二问题;1.是C301 0.1U 电容失效,造成杂音来源是它;2.是C228 电容短路,使得AGC功能丧失:二故障排除机器接收短波信号还是不错。但老用耳机听久了耳朵痛,(没儿时的那种忍耐劲了,那时再疼也忍得)



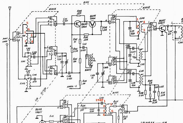
想到我们平时真正听广播还是FM第一,MW第二,这短波应该是排最后的选择,中139A的短波一在我们手上简直就是废物一个,啥作用都没有,在本潭发帖问问谁改过没有?居然才发现才一位兄弟玩过(不知怎没下文),再考虑到我要改出后能被其它手头有这玩意的兄弟方便动手,在取材就先往普及型元件上想想了,天线用10X200磁棒,高放与中震电感采用都随手可得的10X10中周作骨架。中震要出六根线头,我手头的这中周都是五线头的,用0.8mm小转头再二出线的这头中间挖出一孔。





各电感数据如下:
天线线圈:1-2 用7X0.08股纱包线绕32+45圈 3-4 端用7X0.08或单股的0.2mm,5-6 端0.4绕五圈。
高放线圈:1-2 绕80圈,2-3绕40圈;4-5绕10圈。用0.08mm漆包线:
中震线圈:1-2绕17圈,2-3绕64圈3-4绕6.5圈;5-6绕二圈。用0.08mm漆包线:



具体接入电路如下:
中震部分:将原机的短震一L107电感拆除,在这地方用转头打6个1.0(放入中震骨架)与2.2mm(放入中震外罩)小孔。我将2.2的孔铆上鸡眼,如不铆鸡眼的可打小点。要注意与外屏蔽罩L107孔的对应,方便下来的统调跟踪。再将原C130的510P(这510P的别扔了,后面有用的上的地方)换为390P,将C125的680P换为2200P,将中震电感按图接入
高放部分:将原机的短一高放L104电感拆除,在这地方用转头打5个1.0(放入中震骨架)与2.2mm(放入中震外罩)小孔。我将2.2的孔铆上鸡眼,如不铆鸡眼的可打小点。要注意与外屏蔽罩L104孔的对应,方便下来的统调跟踪。再将原C119的1200电容拆除不用。将中高放电感按图接入。
天线线圈部分:将C101 82P与C103 1800P二电容拆除不用,原短一天线电感不碍事就不用拆了,将天线线圈放在PVC管里当磁棒盒,用5根排线连上,(特别要注意接空变端的(1)要用最外的一根线,空1根线不接后再用下面的三根线,这样可使中波高端统调能跟上。这磁棒盒也可当机器提手.



原高放版图片:








改后高放版图片:

上面改装我是先用简便连接在一个晚上连绕三电感带改电路就ok,但下来的完善又花了停停打打几个月时间,中间老有些再感兴趣的玩意玩玩,老摆在一地方看了烦,近来一鼓作气杀青了。改动的地方还有:
1.拆了个旧半路死的8欧输出牛将原600欧的换下。



2.在机器屁股地方挖了3寸喇叭洞,套上只电脑风扇罩。



3.将原检波后的R221电阻换为1K。这电阻原阻值10K与下拉的R222 47K电阻与W401 22K电位器(2阻值并连约15K)使的检波来的电平才60%到达低放电路,这应该是在推耳机是已经够了。
4.K401a工种开工的4,5脚间连线剪断,使要关机反拧一下即可。当然开是正一拧。
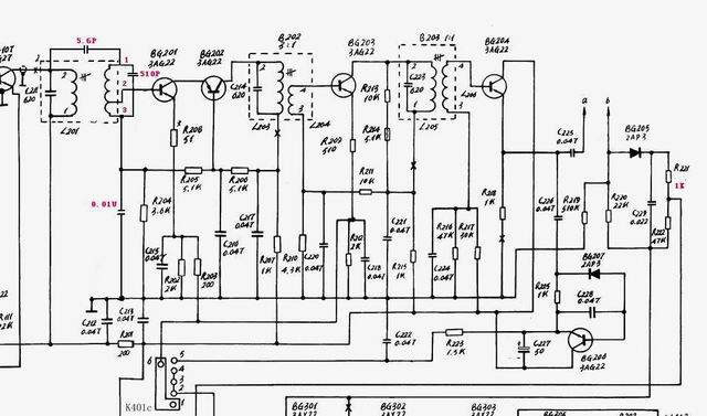
5.为使音频带宽大些,声音好听些,将原第一中放的LB201陶瓷滤波器拆除,也是用一只10X10的中周骨架绕了只调谐线圈代入,1-2绕93圈,2-3绕8圈,线经也是0.08mm漆包线。使第一中周为双调谐,再将BG201 b级连接R204与R205电阻的铜薄割断,二头串接如新加中周2,3端,再R204与R205端新接一0.01U电容下地。再将原C130的510P接在这中周1,3端。还要加一6P左右的电容将第一中周二调谐线圈热端连起来,手头没这小电容,用二根长10Cm的跳线搅和后接入,效果良好。





6.加装了根120Cm的拉杆天线作短波接收用,在一般情况下已经很满足要求。这拉杆天线的卡头做的特得意!顺手捡来1破旧朔料盒一角二钻三挫就ok了。


在中波统调过程中我这机器是这样情况,中震频率调整很好,一步就到530-1620范围。在调高放部分跟踪的高端C116调到最高(容量最小)还太大,将C114 15P拆了ok,我这机器将短二的C117微调调低了些ok,在短三就将C118调到最低还不够,我再将拆下的C114并在C118二端也ok了。天线回路我原用在本潭里来的28X0.07的纱包线绕的,中波跟踪在低端良好,也在高端将C109调最小还大了些。后改为7X0.07的纱包线再将磁棒骨架在外线包能放下的原则下将天线骨架做大些。现在我这机器用这参数全中波频率范围跟踪良好。手头没定性测试的家伙,与我手头有的带高放的熊猫B11,春雷3T3比较接收效果还好些,特别是这机的AGC电路控制效果比感觉特好,收本地电台与江苏上海等地的大功率广播电台(台湾,香港更不用说了)居然电平没啥大小感觉,这指标比较高。我看到潭里有朋友说这机器的AGC电路不理想,那我感觉就是他那机器的这部分电路没在状态了。



原加喇叭还有一方案就是将喇叭装在电池盒里,喇叭都买来了,去买时穿着西装开着大车,店小二以为大款来了,尽要了我15米呢。(以后买这些东东最好穿上一行头)用小些的电池或外稳压电源,我的情况是在本潭进了40只一号充电电池,另外我这里的电磁感染厉害,用电池杂音小好多。朋友可根据自己需求来改动。



还要这刻度盘问题,我原来以为用白纸将打印机打550,600,650-----1500,1600一一按位帖上就ok,没想到原刻度盘是有机玻璃的,字还丝印在下面,现在也只能先放着,平时我使用时基本能知道听到啥电台前后是什么电台,我本人使用到没啥感觉不便,想下来再DIY个4位字段数码显示电路接收本震频率再减465K来显示。但不知会干扰接收效果吗?看大家有啥好办法来解决。

文章目录

    评论 (0)