广播发烧网

挑战SW6000的极限

author
·
2089
0






写在前面:曾经为了6000的声音苦斗许久,在音调控制部分改变参数时声音有所改善,总是不能常久耐听,最后经仔细检查发现上家德国佬把高低音喇叭相位接反,算是被狠狠玩了一把,喇叭接正后再把原来的改动全部改回来,声音算是正常了。

听了二天又对中短波的灵敏度起了兴趣,按出厂指标应是不低于56一级接收机,40年的老机器显然达不到这种指标,那么到底能恢复到什么程度呢?我手上除了一台指针式万用表没有任何仪器,技术水平也很有限,只能力所能及的做些事情。

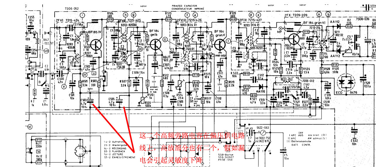
当然先从各级晶体管工作点开始,果然工作电压都偏低,首先把几个高频旁路电解都换成钽电解,至少求个心安,如上次处理中波高放变频级一样,短波高放部分也有这么一个取压二极管上电压偏低,依然换了新的。

期间注意到这机器AGC电路对整机灵敏度影响很大,反馈电压不仅控制中放管增益,连高放部分也一起被控制,就整体而言即使外接长天线收强台也不容易引起阻塞或互调失真,但各级电压也因此偏低经常都在1V上下甚至更低

在AGC连线未被切断的情况下调整那二个可变电阻,静态时可以调整到图纸上的标准值(1.5与2.0,原机静态电压基本保持这个数值),但此时仔细测量发现A点电压比B点C点都高,且B点比C点高0.5V,等于给检波二极管加了个正向偏压,似乎会影响灵敏度,且此时中放二基级电压为2.2V左右似乎有些偏高,试着在SSB插座处插入一根牙签把AGC断开再分别量,中放二基级发射极电压都明显升高.

AGC连线时从二个可变电阻上取得的电压处于动态平衡,中放二的增益会比较大些,对于检波级而言噪音也相对大,且检波二极管上加有正向偏压似乎影响灵敏度,基于以上分析在AGC环路切断的情况下分别调整二个可变电阻使电压值如图纸,再接通AGC量R512上电压由1.5降到1.3V,经过反复对比验证,实际听感这样声音反而更清晰.机器似乎变安静了,弱小台浮了出来.在中波段此时效果已经非常满意.

前面提到R512的电压降到1.3V,这个电压同时为中放一以及高放部分提供偏压,动态时受AGC影响这个电压还会低,结果仍是会影响灵敏度,解决办法为给其他几个管子另外加一个电压,根据试验与估算这个电压取值1.4V左右比较合适,中波时不能另外加这个电压否则极易阻塞,只能在短波时候加,仔细看图纸发现短波波段开关刚好有三个脚是空的,就近取正电压采用原机惯用的电阻二极管串联的办法从二极管上取得1.4V电压,实际工作时降到1.3V刚好提高各级增益,感觉短波灵敏度有较大提高,这个补偿电压只在短波波段开关按下时候接通,中波时二极管内没有电流通过既避免了中波因增益过高引起阻塞,破坏了原来的AGC特性,又可避免在听中波时无谓消耗电力以及机器内部短波段与中波段的互相干扰,也有效的改善了短波段在AGC起控时整体增益不足的问题.这里顺便提提高放处的切换开关,图纸上是随波段选择自动关闭不需要工作的高放管,节约电力也避免互相干扰,我的机器本身可能是较早期版本在印板上变成中波高放常通,顺便按图纸改了过来.

加了补偿电压以后,对于检波等效于收到强台,切开AGC回路单独测量A点电压实际也更低,说明此时中放二的增益会进一步降低,长期而言对管子的保护也是有好处,整机增益因为有补偿电压(稳定在1.3V左右)不仅不会降低反而升高了,从实际听感与S表上读数都可以看出.

最后则是AGC的开关问题,这类机器设计有SSB外接单元,AGC回路刚好可以通过这个插座上的一个微动开关控制切断与接通,很简单只需要一根牙签从后面插进去即可,这样一来灵敏度是最高状态但极易引起阻塞,在中放工作点未按前面方法调整时更是如此,解决办法是在上述调整完成后在此处串接一个50K左右电位器,最好是带开关的,我试了下效果很满意,在夜间听微弱电台是很用的上的,经此改动变成一个高放增益可调的机器了,实际上调整的是AGC的深度.

上几张工作图,这类机器实在太难拆了,特别是最里面那块短波高放板.















文章目录

    评论 (0)