广播发烧网

我也玩了一下胆调频

author
·
2463
0

第一部分:边学边干,积累经验,一个模块化的胆调频头的诞生

网络不通,上不了区外的网络,空闲时间一下子多了起来。寂寞难耐,慢慢的翻看以前保存的网页聊以解闷,广坛、矿坛、HELLOCQ等BBS里我保存了几篇无线电爱好者自制电子管调频收音机的实做文章,印象比较深刻的像“铁蛋”“醉翁”“mldog”几位兄台的大作都再次细细研读……结果当然是撩起了我无法按捺的情怀,打算也做一台过过瘾,于是就有了下面的一系列工作,今天是2009年的12月9日凌晨,希望在网络能通的时候,我的所有工作都已经完成,并将此文作为正式重归广坛的作业。



为什么要做电子管调频收音机?因为买不起所以没玩过,既能满足动手的欲望,又有收获的喜悦,看看自己DIY过程中解决问题的能力到底有多少……想象着做好了这个玩意,看着一个个橘红色光芒的小胖孩,听着不期而遇的老歌,那叫一个惬意!(其实这个词并不确切,说个题外话:记得看《功夫》这部电影,有一段背景音乐缓缓响起,居然是我特喜欢的刘家昌的《只要为你活一天》,当时那个感慨!就像是一位思念的老友,不期然间遇到了一样,当时差点我就激动的不能自已)借用某电台自吹的广告语:“就像品味巧克力,你永远不知道下一首歌是什么味道……”题外话就此打住,下面就来说说我的整个过程……可能会很长,各位看官多多包涵。

本人希望制作一台标准的超外差电子管调频收音机,单声道结构,期望实际应用中能与普通的市售调频收音机接收效果相同。对制作的要求是:最大限度的使用廉价和常见元器件,整机不使用晶体管,制作数据具备简单的可重复性;尽可能的仔细记录这个实验过程和实验数据。(结果没能将这些希望完全实现。)
已经找到的参考书有:《收音机的选择性和谐振电路》《电子管收音机技术问答》《电子管收音机原理与维修》《电子管收音机的修理》《电子管电路基础》《录音机电视机收音机600问》《FM收音机工作原理及维修》《自制调频收音机》都是老书。在下面的记录中会引用以上书籍的内容……,下面就不注明了,大家别说我抄袭。
下面是本地的FM广播频谱分布:




广播电台不少,17个。频道间隔都符合分配,强度却有高有底,差距还不小,如果接收机没有足够的灵敏度,弱信号接收会有问题,在这个条件下,自制收音机选择性应该不是大问题,关键是灵敏度和通频带,否则无法做好信噪比和音质……做这个机器本来就不是DX用途,一定要做的好听才行。

下面来看看各台不同的通频带宽:




97.4和106.5正在播出音乐节目,100.7和104.5是语言节目……看出我举例的意义了么?不同的播出内容带宽不同,这个对后面的调整时是个应知常识。就是在说,尽量用音乐节目来调带宽。


下面说说电路选择:
参考电路就是铁蛋兄帖子里的,请大家搜索本坛精华帖子:《简陋的条件下,我是这样制作电子管调频收音机的!》
铁蛋兄提供的几个电路结构基本一致,属于比较好理解的电路。注意,在日本是下差式中频,LC数据要注意修改一下,当然也可以不改,就用下差方式也没什么不可以。而且我认为这几个电路都是很普通的电路,如果有更高要求比如高灵敏度,高选择性,高动态范围的话,需要重新选择参考电路……。我是在这几个电路的基础上增加了一级中放。整机用管8只:整流6Z4 X1,高频头6N3 X2,中放6K4 X3,鉴频6H2 X1,调谐指示6E2 X1。

12月15日,这几天仅仅做了理论准备和理论的印证实验,主要还是关于LC谐振回路的,因为选择性,带宽,中频变压器都与这个有关。要在中频放大部分获得好的带宽和选择性,单靠高Q的谐振回路是不行的,还要注意到耦合情况,这个在不上机的情况下似乎很难测量,因为我手上没有高阻抗的测试环境。
把Q表从地下室拿上来了,我觉得最好用的地方在于可以实验性质的用一个电感知道在什么频率和什么电容谐振,并得知空载Q值。这对理解谐振回路很有帮助。


12月16日,今天发现两本设备手册,很有帮助,《WP002-1收讯天线放大器使用说明书》《303型超短波接收机说明书》。
303接收机用了3级中放2级限幅一级鉴频,2次变频,因为是军用接收机可能需要这样的设计。民用FM接收机,我认为不用2次变频了……其实如果能有一台303接收机,做些改动,将第一级调谐频率改为88-108mhz就可以当成收音机来听,不过有点暴殄天物了……或者做个30mhz的高频头,就可以了,这个想法看来不错。
今天到废品站捡到一件垃圾,电子管电视机伴音中周,中频6.5mhz,用频谱测试,忽略阻抗不匹配的干扰,可以看到该中周可以从6-7mhz调谐,3dbm衰减带宽约为±50khz,稍加改动就可以用于FM收音机。或者直接将高频头的输出定为6.5MHZ,直接就可以用了。不过我不打算这次这么做,这次要所有部分都自己动手来完成。



先说说结果:到元月28日,在这个结构下可以说已经改无可改了。说说效果吧,前面看到的那17个电台都能收到,天线就是1m长的电线。因为没有AGC所以收听不同的电台,接收点的场强情况直接反应在音量大小上,调整功放的音量电位器绝大多数可以满意级收听,个别电台不太满意,我最喜欢的几个电台达到了享受级(实际上这是灵敏度不够高的表现,具体怎么得出这个结论的,我在第二部机器的制作中会提到)。与廉价的二手车机相比不足之处是体积大,耗电多,灵敏度逊色,没有功放……与如今提倡的低碳生活潮流格格不入。如果这些缺点您不能忍受,还是放弃这件费力不讨好的工作为妙……




下面这个是实做高频头电路图:




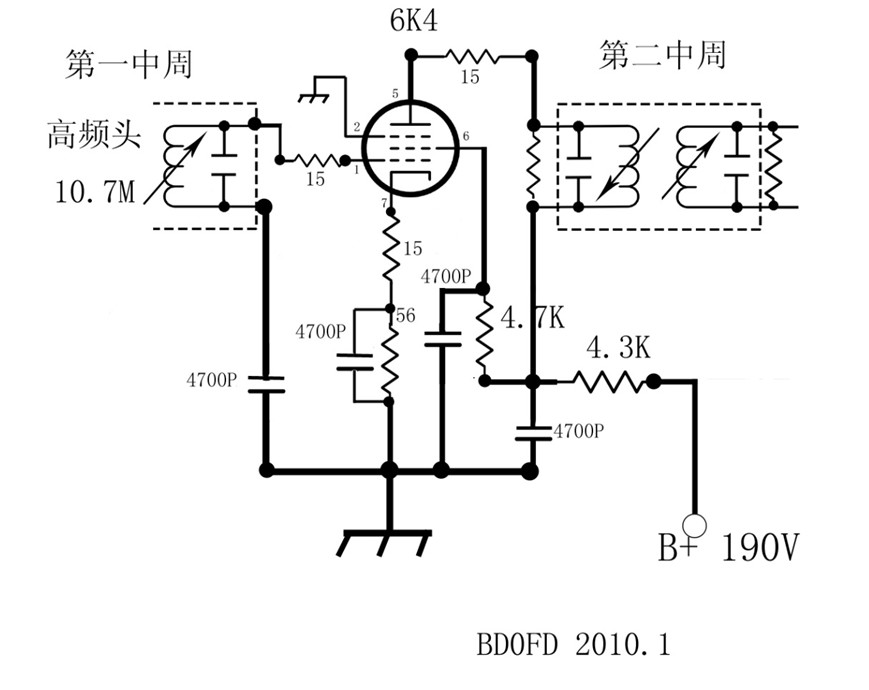
高频头部分使用了两个6N3。6N11用起来更好些,不过电路参数需要稍作调整,要注意6N11的阳极电压要低一些,我就忘了这个问题干掉一个6N11。选择6N3还有一个原因就是可以不用为了降低阳极电压到90V而白白烧掉一些高压功率。当高频头使用6N3,中放级使用6J1的时候,一个DB45变压器就用的比较安全了。大家可以在换管的过程中体会到这一点。中放部分可以把6K4直接换成6J1外围不用动,中周需要稍微动一下,因为输入输出电容变化了。

输入电路的性能要求:
1、选择性要好
2、电压传输系数要高
3、输入调谐回路的Q值要兼顾选择性和通频带带宽
4、波段覆盖要够宽
5、受天线参数变化的影响越小越好

说得容易,做起来难。栅地结构的高放,又是个宽带高放,增益根本就不很高,如果本振再不争气点,变频跨导和增益就成问题了……波段覆盖倒不是问题,只要用的是FM专用的空气电容(4-25PF左右吧)。如果是自制或改制电容,那个最小电容非常关键,不然加上分布电容和输入电容会大大缩小覆盖范围,而且会因为容量偏大导致LC比值失常,影响电路性能并增加电感制作困难,电感绕一圈或半圈的,你咋搞呀,Q值跟线圈的直径和长度是有个比例关系的,太离谱Q值就很差了……(我自己就是改制的电容遇到了这些问题,而且用中波2联改制还有频率低端过于拥挤的毛病,动定片都要改的话实在不好做到完美)如果实在没有FM专用的电容,可以尝试调感方式调谐,虽然我没实做这个器件,但是可以提供一个制作的思路,大家可以参考调感收音车机的结构,没有磁芯也不打紧,你用铜芯,就是那种带螺丝孔的铜柱,组装计算机见得最多。
(改电容基本原则:最大电容除以最小电容再开平方的值,与最高频率除以最小频率的值接近,最好留点余量。如果最大电容减不下去了,你就用串电容这个方法,对最小电容值影响不大,但可以把最大电容值调小。如果您实在懒得测量就用最常见的两联365p的,拆成2定夹1动,也凑合了,就是不太好用。)
输入回路部分简单说几句,就是那个阴极天线引入处尽量快捷的引出机外,目的是减小分布电容。

变频器的要求:
1、放大系数要够大
2、失真要小
3、选择性要好
4、本振工作要稳定

在这个高频头电路里关键就看你本振的幅度了,本振正常了,调谐回路就是跑偏了也能响,等机器开口了再细调也能来得及。本振要是不起振,一切都是白搭。这个本振电路算是比较好起振的,请注意那个调谐回路线圈和回授线圈的相位问题,请看图片。


其实就是一个线圈顺时针绕,一个逆时针绕,然后套在一起。在实际制作中,我遇到的问题是:同样是6N3,有的管子可以振荡在100M,有的就不行,实在懒得增加业余制作的难度了,不然就得把测胆仪也搬出来看看到底这两种情况是怎么造成的了,解决办法:我直接就让本振基频振荡在50M,用它的2次谐波,在频谱上看,2次谐波的幅度与基频波幅度差不多。如果您手头有6C1或者6C11这样的管子,那恭喜您,最适合放在这里做本振了……选择性在本振这块体现的不算大,振荡线圈Q做高点就行了,至于本振频谱和本振振荡带宽在业余条件下不容易定量,就不要苛求了。本振的稳定无外乎一个是安装工艺,比如避震、减少飞线、减小分布电容、尽量隔热和处理好屏蔽等等……制作过程中可以慢慢体会。音响发烧友做胆机的布线风格在这里不适用,那种整齐划一过弯都要做直角,线都扎在一起的布线方式在高频电路里用不得。有人说了,军机不都是这样整整齐齐的么,人家花了多少时间尝试,在电路上费了多少劲去消振中和匹配才达到那个境界呀……扯远了。说回高频头,高频头在胆调频整机里,地位应该比中放的地位高,事实上,难度也是比中放级要高的……
严重建议:要做这个机器,如果您用的是成品的高频头,成品的中周也就算了,如果您像我一样完全自制,一块电感表还是必须的,否则本振振在哪里、中周谐振在哪里太离谱,就是神仙也会摸不着头脑的……,每一位DIYER的实做电路都会有自己的分布参数,还不说磁芯材料等差异,直接照着数据就上马是不会顺利的……






中频放大器的要求:
1、增益高而且稳定
2、选择性要好
3、在兼顾选择性的前提下要有足够的通频带
4、中频变压器的调整和维修要方便,屏蔽可靠,安装牢固

这个电路没什么说头了,就是个电压放大,工作点正常就能工作,因为放大的是10.7M信号,又因为-3DB带宽要求150KHZ,单级增益在30DB左右。什么都不变,你直接来个3、4级也不成问题,我就这么干过。屏、栅极那个15欧姆是消振的,阴极那个15欧姆给了点本级电流负反馈,这3个电阻你也可以不用,阴极电阻改成75-100欧姆即可。
关于中周多说几句:
中放电路需要临界耦合和过耦合协同工作,还需要在电路里加装电阻来降低负载来展宽通频带。临界耦合的频率曲线为单峰,过耦合为双峰,用这两种合成为比较平滑的通频带。由此想到很多DIY的调频机的中周可能没注意到这个问题,作响是肯定的,而通频带和灵敏度就不一定了。因为耦合形式与中周结构,还有中放级数、增益有关系。用调偏中周的方式来获得好的通频带不是不可以,但会降低灵敏度,需要好的中放增益来补充。

调频波中载波频率的偏离程度,高出载频时为正,低于载频时为负。频偏75khz就是说调制波的频率在低于载频75khz和高于载频75khz之间,这个数值说明调制波的调制深度。频偏大小与调制信号的振幅成正比,调制信号的振幅越大频偏就越大,调频广播规定最大的频偏为正负75khz。即通频带我至少需要做到150khz(-3DB)。    导频制立体声复合信号的频偏是这样分配的:通常导频制信号的调制深度只占10%,即7.5khz,主负信道两者的频偏之和占总频偏的90%,即67.5khz,但他们之间的分配要视L/R信号各自的幅度而定,若瞬间出现和或差信号的幅度为零,而在另一方幅度足够大时,就会使一个信道独占90%的频偏。

有这些信息垫底,再来看自制中周,中周我自己做了不下五种,尝试了手边的很多材料,得点经验这里共享。只要LC回路谐振在10.7M机子都能响,耦合系数这会儿就凸显出来了,不合适的话,比如说欠耦合,会让你辛苦得来的那点增益所剩无几。匹配电容选择20-30P为佳(如果选择别的中频值就得跟着变化,其实自己制作机器,中频选在5M以上就可以,你选30M也没什么不可以……只要你乐意),既然匹配电容先定下了,那么电感值也就知道了。这个电感值是中心值,要给自己留出上下的调整空间。磁芯材料是有频率特性的,尽量找高频的吧……104的102的都可以凑合用,同轴方式,平行方式都可以,要注意线圈耦合距离,这个关系到能量传递和通频带,后面元件部分会仔细说数据的。

相位鉴频需要限幅电路来辅助,比例鉴频就不用了,这个简单电路本身就有限幅的功能,就是鉴频线圈多一个绕组,就是这个单调谐高阻变低阻的通道要注意了,因为跟着的电路吃功率,圈数多了会影响主电路的稳定,一般圈数为主电路的1/3-1/4吧。还有,如果鉴频输出以后需要立体声解码的话,就不能在鉴频之后加15khz低通,说的就是那个去加重RC,要在解码输出后再加。

下面的文字有些是制作当时写的,大家看看权当消遣吧……
元月3日,终于开工了,因为是实验性质,就做成模块化了,考虑到不被一些外在的因素干扰,决定使用铝盒子做底板,虽然不太好操作但还是值得的。按照那个日本的带AFC的图纸结果不乐观,别的不说,自激了。另外,考虑到因为使用了孔洞板作为焊接过渡并没给我带来什么正面的作用,干脆恢复到最原始的搭棚焊接,并且本振部分使用了标准的调栅电路,用频谱看了一下本振的频率覆盖,谐波很是丰富,并且幅度不小,找到离需要的90-120M最近的输出,看是高了还是低了,调整电感和电容,使它符合需要,本振部分就算完成。(后记:现在看,当时犯了布线不合理的错误。另外,本振是起振了,但是强度远远不够。)
高放和混频连续开机20个小时,频率基本没有什么偏离,看来有没有AFC也没关系。
使用综测直接进行解调的结果是高频头的10.7M输出挺准(后记:现在看,这个结论下的过早,因为只要调谐本振,就总能混频出10.7M,要10.7M输出最大值才算准确),在-30dbm的参考点情况下可以稳定正常解调到本地的2个强台,现在还不好说是高频头的接收灵敏度不行,还是这个参考点太高,等中方部分做出来再说吧……

这几天一直在专心搞机器,高频头拆装了几遍,中放也搞好了,问题不大等于一次搞定(后记:自以为是了,犯的错误是:用一个很强的信号来贯通中放电路是不行的,在信号很强的情况下是无法体现级间耦合的正常情况的,换言之就是再差的中放通道在强信号的情况下也会看上去很美,换成实际应用的小信号就丑态百出了)。高频头我认为还是有些问题的,如果我不能装出能与地摊上买的收音机灵敏度相提并论的机器还有什么意思呢?所以一直在着手解决高频头的接收灵敏度,我以ICOM IC-R7000接收机的中频输出作对比,输出幅度要等于或优于它,或者说,用一根50CM左右的电线作天线,本地的17个电台要都能满意接收才行。(后记:这回好,连带着把R7000的中频输出也给搞挂了,不小心碰到了高压,背呀!另外,用这个结构的胆调频和车机比灵敏度本身就不现实,器件的进步,科技的进步是不可逆转的潮流,人家车机从头到尾用了多少晶体管、场效应管)
影响灵敏度的主要有这几个方面,一是本振震荡电压,二是混频增益,三是场强,四是第一中周的耦合情况……说回这个电路,6N11屏阴极电压只能低于90V,高了有击穿的可能,我就这么干掉了一个。电压太高还有一个问题,本振会乱振,输出大量杂波或者说是寄生振荡?而且调栅振荡器有个特点,就是振荡幅度与频率成正比,也就是说,频率的低端振荡比高端弱,直接导致的结果就是整个波段的低端灵敏度不如高端,OK,能把低端的接受灵敏度解决,就解决了整个波段。把这个振荡电压传给混频级,混频的输出10.7M的幅度肯定会比本振小很多,而且大小和与本振混频的接收频率的强度有关系,这个强度由高放来提供,呵呵,高放的增益如何,又提到议事日程上来了。高放的增益以合适为佳,太高会引入很多干扰和噪音,而且内部还会造成10.7M的正回授。(后记:这段是当时的思路)
今天1月8日,重新梳理了一遍电路,分级测量,分辨有用信号和自激信号,按照每级30DB增益的大概数据,发现第二级到第三级之间不太正常,输出波形不正常的问题通过细调中周和从新布线来解决,第三中周的问题是,前后阻抗不匹配,不是耦合程度的问题。于是干脆把第三级的电路改了,参照303军机的电路稍作精简。中放部分就这样算是正常了……(还是犯的那个错误:用强信号看中放)本振电路又重新布了线,调整了反馈线圈,输出幅度一下子变得正常了,呵呵(还好意思笑,相位搞反了都没看出来)。两者合在一起,基本上本地电台都收到了……(按:事实上,还是不正常的),鉴频部分只能说我用万用表测量来看还算正常,因为还没有与之匹配的电压放大,所以还不能直接听到声音,想用一个2200欧姆的耳机听到一点声音,结果却很失望……看来偷不得懒。于是接上音响,那叫一个安静!什么也听不到,我倒!反应过来,前面自以为正常的接收是频谱体现的,频谱的灵敏度本身就很高的说。我几近崩溃……我休息了一个礼拜,换换脑子。

集中说说这里犯的错误:
1、高放不是没有增益,而是选频调谐压根就没谐振在接收频率上,这是照抄铁蛋兄的数据而没实测落下的病根。
2、本振线圈相位搞错了,这是粗心造成的。
3、10.7M通道应该用实际应用信号幅度来调,而且还应该逐级调整。
4、中周照抄铁蛋兄的数据,后来实测发现,原来104线圈的磁芯u值参差不齐,离散型很大,反正我这一整盒都这个德行。而且这种中周不好调,因为调谐范围太大了,不容易调准,而且那个磁芯的塑料太软了,调不了几次就得坏。
5、天线输入到阴极那根线,我自作聪明用了一根屏蔽线,无形中给增加了一个对地的旁路电容。

逐一改正,中周重新换了材料和结构,均实测以后匹配。上电机器就开口了,最起码噪音出来了,判断本振是否起振方法很多,最简单的就是用手接触一下本振调谐回路的空气电容定片,本振停振从声音上是可以听出来的,一下噪声变小了。调谐下,找到一个电台,从后往前粗调2遍,不要急,找到声音最大音质最好点。然后调整本振和选频回路的微调电容和电感,找到声音最大音质最好点。其实这会儿,中频不一定就是10.7M,如果不苛求的话就难得糊涂吧。如果要是非要调整到10.7M,你找个调频收音机,最方便你就找个老车机收到电台后,找到10.7的陶瓷滤波器,也许是2个脚的,也许是3个脚的,从那里引出一个信号接个200P左右电容接到中放管的栅极,逐级调吧,来个几遍,基本上就调准了。然后让高频头输出的那个中周向后面的中频通道看齐。再细调一下本振和选频,就基本OK了……
关于电源的问题: 




最开始的时候,用的是一个破电子管收音机的电源部分,实在是不方便,而且灯丝电流不够用。后来用222-1收信机的电源供应灯丝电压,实在是不方便。于是就有了电源模块,本来使用的电子管是6N11、6K4、阳极电流不小,几乎是耗尽了DB50的能力,最后的一个版本是用DB45,电子管整流阳极电压尽量的低一些,也能让这点功率节省出来,现在用一只DB45,6Z4整流,CLC滤波。供应6E2 X 1、6J1 X 3、6H2 X 1、6N3 X 2,变压器的温度属于完全正常范围。
这两天的想法是:收音头就应该是不惜一切代价提升接收灵敏度和选择性。现在的这个实验电路在这个电路架构下,做成一个收音机倒是不错。也就是说,还需要给它加上一个电压放大和功率放大部分,现有的模块底盘材料不合适,实在是施展不开。




在这里把一些数据写下来:

前提:你用的是成品FM空气双联,则值为4-24PF,或5-25PF,6-30PF等等,都差不离。自制也应该尽量的接近,差个2、3PF可以接受,要是差10个8个PF,差距就有点远了……
选频回路的L应该是0.18uH左右,10mm直径间绕三圈,线径1.5-2mm都行。
本振回路跟选频回路差不多,减绕一圈即可。如果用二次谐波,则为6圈。
反馈线圈6mm直径5-6圈间绕,线径1-1.5mm即可

选频回路和本振回路微调可以调微调电容,也可以拉拉扯扯线圈。

中周制作:




上面这两个图是示意如何制作,因为没测量就上机导致了失败。



这是我实际应用中的中周,2个电感尽量贴近是为了取得临界耦合到过耦合的情况。

如果用10.7M中频,则槽路LC的乘积=L(uH)xC(PF)=200
则有15P—14.6UH/17P---13UH/24P---9.1UH/33P---6.7UH
如果用6.5M中频,则槽路LC的乘积=L(uH)xC(PF)=600
则有24P—25UH/30P---20UH(成品参数)/33P---18.UH/43P---14UH
建议使用上下同轴方式制作,两个线圈间距5-7mm均可,线圈直径从3mm-10mm都可以,看您手头的材料了。请实测线圈的中间电感值,以及最大最小值,做到心中有数。所用电容可以是瓷片,也可以是云母,建议云母。如果用瓷片,一定要选择CC系列的。

鉴频线圈:
初级回路要求与中周一样,请3个线圈都绕完再测试电感,找到匹配电容。
副回路双线并绕,双线的首尾相连作为中心抽头。也请实测后匹配电容。
好了,拉拉杂杂说了这么多,如果能让您在做机过程中少走点弯路,就不枉我敲这么多字了……

文章目录

    评论 (0)